
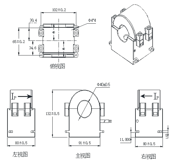
开合式结构,易于现场安装,操作方便。全封闭式设计,适应恶劣环境
感应取能,高效可靠,无需维护
运行稳定,可以在线路电流变化的情况下保持稳定的输出。输出电压稳定,纹波小;输出功率可达20W以上
可以在大于1000A电流下持续工作,可以在大于3000A电流下短时间稳定工作;可安装在6kV至500kV任意电压等级输电线路上
输入特性:
输电线路电压等级:≤500kV
输电线路电流:≤3000A
额定频率:50Hz
输出特性:
输出电压精度:≤1%额定输出电压
负载效应:≤±1%额定输出电压(0~100%额定负载变化时)
纹波峰峰值:≤±1%额定输出电压
过流保护:不低于120%额定输出电流自动恢复
开关频率:300kHz
环境特性:
环境温度:-25℃~+50℃
存储温度:-40℃~+120℃
相对湿度:≤95%
大气条件:大气中无严重污秽
海拔高度:≤3000m
温度系数:≤±0.02%/℃
温升:K30℃
服务热线:400-086-3003
电话:0728-5353116 5353117
传真:0728-5353121
地址:湖北省天门市经济开发区创业大道8号